logo
บริษัท วิเศษสิริ แมชชีนเนอรี่ จำกัด

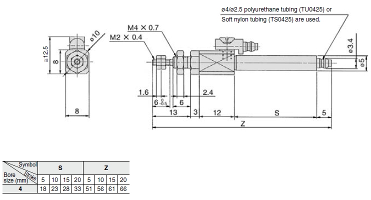
กระบอกลม เอสเอ็มซี SMC Cylinder model CJ1 Double Actoin

฿0.00
กระบอกลม เอสเอ็มซี SMC Cylinder model CJ1 Double Actoin
เหลือ 999 ชิ้น
  • หมวดหมู่ : กระบอกลม เอสเอ็มซี SMC CYLINDER
  • รหัสสินค้า : 002189

รายละเอียดสินค้า กระบอกลม เอสเอ็มซี SMC Cylinder model CJ1 Double Actoin

กระบอกลม เอสเอ็มซี SMC Cylinder model CJ1 Double Actoin

  • กระบอกลม เอสเอ็มซี SMC รุ่น CJ1
  • Bore 4 mm. (เส้นผ่าศูนย์กลางลูกสูบ 4 มิลลิเมตร)
  • Stork ระยะชักกระบอกสูบมาตรฐาน 5,10,15,20 มิลลิเมตร
  • แรงดันการใช้งานปกติ 7 บาร์

สอบถามข้อมูลเพิ่มเติม

โทร.081-868-0446  086-005-6446

E-mail : [email protected] หรือ [email protected]